2週間前に製作を開始した、パッシブアッテネータが音出しできるレベルまで完成し、mbedコンパイラを使用したC/C++プログラムでLPC1114マイコンのUARTシリアル通信によるリモコン操作環境ができました。
出来上がったレシーバー側のアッテネータ基板、上面も裏面もなかなかの集積度。 自分の実力の割にはだいぶ頑張った感があり。 抵抗は結局、入手が容易な BispaのLGMFSAシリーズを、念を入れてパラで使うこととしました。
ボリウムを付けたリモコン側は、左側に7セグメントのボリウム表示を装備するつもりでスペースを空けてあります。
mbedのオンラインコンパイラで、C/C++プログラムをUSB/UART通信を使って適宜デバグしながら、リモコンボリウム側とレシーバー側別々に作っていき、接続してリレー切り替えが問題ないことを確認して音出ししました。
音質のほうですが、これならそこそこ聴けます! まだぼやけた感じですが、エージングですぐに良くなるので、これからが楽しみです。
あと、どうも-8dbの音量がおかしいです。 全体的に2.5dbステップくらいになっている気がする。 ふー。 大変だったけど、やればできるもんですな。
というところまで書いたところで、良く聴き込むと、どうもぱっとしません。
他の抵抗の銘柄を試したわけではないので結論を出すのは早すぎるのはわかっていますが、 ボリウム最大(0db)にして、MoodeAudioプレイヤーで32bitにアップサンプリングしてソフトウエアボリウムで絞るほうが断然音が良いのです。0dbの時でも、例の1個100円のリレー2個が通っていますので、リレーの接点による悪化ではないようです。
高域の質感、低域の空気感、、歴然とした差があり、ちょっとやそっとの改善では太刀打ちできそうにありません。
ということで、ラインアンプを物色していますが、その前に、UcD32MPパワーアンプがバランス入力だということを思い出しました。
こんなの入れたらどう変わるか、ちょっと興味あります。
・・ってことで早速ポチって昨日共立エレショップから届いた、不平衡→平衡変換ラインアンプキット。 さっさとはんだ付けして、接続して音出ししました。
一発で音は出ました。
音質は・・鮮烈だった高域はおとなしくなってしまいましたが、自作STEPアッテネータのdbSTEPが割とまともになり、アッテネータによる音質変化が減りました。音量を絞っていっても、割とまともな音質で鳴っています。 単に全体的に悪くなっただけなのかとも思いましたが、そうでも無いような気がします。
問題としては、不平衡回路のアッテネータ抵抗を通るとノイズが乗ります。 抵抗を通らないSTEPではノイズ無し。 この辺も音質に影響ありそうですね。 FBのごとうさんコメントによれば、GNDループの排除(金属ケース使用の一点接地)、DRV134内臓の50Ωの出力抵抗は合計160Ωになるように外部に110Ω付近で試聴しながら増設、ラインケーブル必須、とのことらしく、まだ調整が必要なようです。
ともあれ、一つの経験値としては、これも有りだと思います。 音の良い平衡ラインアンプ、簡単なのがあれば作りたい。。
難しいですが参考サイト:平衡プロジェクト
先週、D級アンプのパッシブプリの件を日記にしました。
この記事にも書きましたが、当面の目標はリレー切り替え式のリモコン化アッテネータです。
リレーの接点の品位による音質変化も気にはなりますが、音の良いと言われる接点劣化の少ないリレーは1個500円以上します。 アッテネータで使うと個数が多いので、これだけでhypexのUcD32MPアンプの本体価格と同じくらいになってしまいます。
そのため、できるだけ安いリレーということで、定番(?)のHSIN DA PRECISION の941H-2C を使います。今回はDC5V駆動なので941H-2C-5Vを使用。
しかしさすがにいきなり組み上げてしまってから出てきた音に?マークが付くと困るので、事前に2個のリレーと抵抗を組み合わせて、Lパッド型アッテネーションで音質確認をしておきました。 まあ、劣化している気もしますが、どこが劣化している、というのもわからない程度の、何となくフォーカスがぼやける感じの傾向、というだけでした。 ということで問題無しと判断、このリレーを使います。 秋月で1個100円
さて、回路のほうですが、先日仮に組んだごとうさん式の有接点ロータリーアッテネータ劣化版の回路そのままで良いか、しばし考えました。
- まずは、入力/出力インピーダンスが違うので実際に組み合わせるDACとアンプのインピーダンスで計算したい。
- リレー式なので、音質に影響のある部分への直列抵抗は極力減らせるように考えたい。
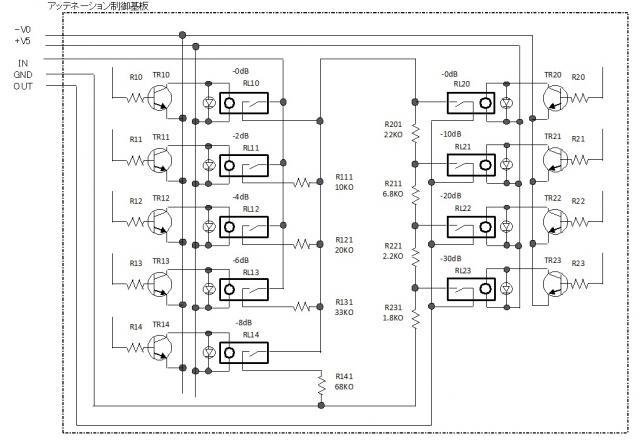
途中、不完全な回路でごとうさんのダメ出しをいただき、出来上がったのがこの回路図です。 左下のリレー1個がミソで、ここでR2側に並列に入れるようにして、R1側インピーダンスが上がりすぎるのを防いでいます。なるほどの設計ですね、さすがごとうさんです。
抵抗値の計算は、ごとうさんの案から少し変更かけて、粗々こんな感じ。これからもう少しに詰めます。
基板への実装レイアウトの検討。当初は制御回路は分けたほうが良いと思っていましたが、それよりも小型で配線長を短くする方がメリットがありそうです。 でもマイコンまで一緒に乗せるのは単に小型化したいだけなので、本当は別にすべきかなあ。
さて、肝心の使用抵抗ですが、KOAの金属皮膜抵抗(1/2W)とbispaのLGMFS(1/4W)をテストしまして、KOAは無難な音質ながら高域に少々ざらつきあり改善したい、bispaは高域は上品ですが1/4Wだったからか低域の量感が減ってしまいます。1/2Wなら大丈夫なのかな・・
bispaのLGMFSA(1/2W)に行くべきか、他のごとうさんのお勧めを試すべきか、まだ迷っています。
そして、マイコン、ARMのmbedでC/C++を3年ぶりに書くわけですが、開発環境もOSインストール時に真っ新で新たに入れなおさないといけません。(汗) プログラムが出来上がるのはいつの日か?









7


