2007年STEREO誌読者競作SPコンテスト敢闘賞受賞作品
今年は、W300 x D300 x H500mm以内でユニット不問という要綱。
subakoを作り直して完成形にするなど色々考えましたが、面白くありません。
下記のような感じで設計~入ってゆきました。
コンセプト
普通のユニットで、ふつうに聴けるバランスの良い音。 でも低音はスピード感と量感と伸びをトータルで追求した欲張り仕様。 聴きこむほどに味が出るようなスピーカーにしたいと思います。
加えて、フルレンジスルーでツィーターをうまく繋げて、フレッシュで繊細なサウンドを目指します。
諸元・仕様
| 項目 | 内容 |
| 名称 | Twister |
| 外形寸法 | W300xD300xH495mm |
| 使用ユニット | Fostex FE103Ex1 + FE107Ex1 + Vifa XT25NT50-04 x1/片側 FE103は30年ぶりに使います。(笑) |
| 空気室容積 | 3.5L ~ 3.7L 程度 |
| 材質 | t15mm シナベニヤ x 32枚積層 + バッフルのみシナアピトン合板 |
| 内部塗装 | 木工用ボンド薄め1回塗 |
| 外部塗装 | 水性クリアラッカー2回塗 |
| スパイラル管径 | 内径180mm |
| スパイラル管長 | 27cm |
| スロート入口高H0 | 3.5cmくらい |
| スロート面積S0 | 25cm2くらい(ユニット面積比=0.5) |
| スパイラル出口面積S1 | 70cm2くらいは確保したい。。 |
| 音道回転回数 | 1.5回 (スパイラル巻回数:2.5回)但し、2条スパイラル! |
| ホーン長 | |
| ダクト共振周波数fh0 | ダクト1:37Hz ダクト2:43Hzくらいの予定 |
| 下部仕様 | subako-extensionで予察中の、角型スパイラルを変形させた、「IMMB」(音響インピーダンスマッチングボックス)を装備する予定。 円筒形スパイラルとの相性が大変よろしいので採用。 例によって下面開口。専用スタンドが必要。(専用スタンドは(支持するだけだから)寸法には入らないよね!?) |
デザイン案
追記070403: ミッドバスにFE103Eをもう1本追加しました。ネットワークは、ANさんのT2.5を参考に、2本ともハイカット+1本は更に低めにコイル追加のパターンとする予定。(呼び名は知りませんが・・)
追記0704010 : オーソドックスな案から始まったのですが、ネットワークを通さずに良質な高音にしたい。。 悩みに悩んで、フルレンジの高域をこんな感じで横に逃がして、ナチュラルに減衰させる案を思いつきました。 スペース効率が落ちるので スパイラルが内蔵できるかどうかが鍵です。
名づけて 「Twister」 (別名「ヒネったの?」)
スパイラルで ネジって、顔もひねってみました~!
ヘソ曲がりじゃあ、ないよ。。
OLD案![]() | 新案 070403![]() | 音場型案 070410![]() | ★設計完070426![]() |
設計図
***070427追記
問題発生。 シナベニヤの厚みが、15.5mm/1枚 ありまして。 33枚重ねると、511.5mmと規格オーバーです。(笑)
ツイーター付近の1枚を抜いて、スパイラルを1段下げる設計変更で対処します。 これで32枚で、496mm! 接着剤の厚みを考えると、これでもぎりぎりだあ。 ふう・・
製作風景
| 積層材料 | ![]() | 070502記: 15mm厚のシナベニヤ。 某ショップで通常価格の50%OFFで入手。600mmx300mmのカット品ですので、今回のサイズにベルトマッチ。 L/Rの積層部品を1枚ずつ板取りできます。 |
| 積層板くりぬき | ![]() | まずは半分に切断してから、12mm木工用ドリルで1枚あたり20箇所くらいの穴をあけて、そこを基点にして各くりぬき穴をジグソーで抜いてゆきます。 今日は15枚xL/R分をくりぬきました。 単にくりぬくと言っても、構造が複雑ですんで、半端じゃなく大変です。 30分/1枚xL/Rたっぷりかかります。 写真の左のほうにあるのが、くりぬいた端材の山です。 |
| 積層板の仮組み | ![]() | M8-L480mmの六角溶接ボルト(ユニクロメッキ)を仮止めしてみたところ。長さはやや長めですが、接着剤をつけて締め込めば、ちょうど良い感じになりそうな予感。 |
| 積層スパイラルディスク面取り | ![]() | 音道が2条のスパイラルです。スパイラルのフィンは、この時のような風車模様になるまで削り込むのは「やめ」にしました。 なんといっても、加工が大変すぎますし、強度も落ちるし、どれだけ音質向上効果があるかというと ?疑問符がつきます。 よって今回は現実的なところで 一律45°程度にグラインディング加工としました。 最内周は大体滑らかに繋がってますが、音は少しダンプドバスレフ的になるのだろうか? まあ、これでも作業時間はほぼ3時間、かかってしまいましたが。 (汗) |
| クランプ接着 | ![]() | 070504記: 天板と底板の、ボルトナットの頭が隠れる部分をまず接着です。 持っていたハタガネやら、100円ショップのクランプやらを総動員してます。 |
| ブロック接合 | ![]() | 積層法では、各層の密着~剛体化がポイントになります。 最終調整のために4ブロック分割可能とし、接続面にスポンジテープを貼ってエア漏れを無くしています。 締め上げれば剛性も十分。 |
| 音出し | ![]() | ほぼ組みあがり、塗装2回塗りまで行って、音だしです。 FE107Eのほうにコイルを入れて低音のバランスが改善されました。 でも正面形状のせいか音像・音場感がイマイチです。 subakoにFE103EとXT25を付けてテストしていた頃の音のほうが良かったなあ。 これから、共鳴対策やら、少しづつ微調整をしてゆきます。 |
| 完成形 | ![]() | 下部BOXを大改造しました。中域の漏れは減りましたが、低域の伸びと量感は少し減退。 コンテストでは音はそれなりでしたが努力賞をいただきました。 |
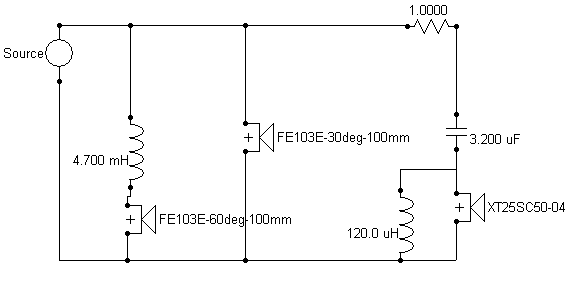
ネットワークと測定
|SpeakerWorkshopでシミュレーションしてみた構成。フルレンジスルー(角度付き)+ ツイーターのみ12db/Octですが標準的な数値ではありませぬ。。
|FE103Eの30°と60°の距離100mm、ツーター正面の100mmでARTAで測定したデータ、そしてLimpで測定したインピーダンス特性をSpeakerWorkshopにインポートしての、200Hz以上のシミュ結果。5~10KHzが干渉しています。 フルレンジ側がスルーなので位相回転具合がツイーターとかけ離れているためです。
でもFE103E x 1発(紫色)よりも十分フラット。
|
Twisterの特徴
- フルレンジ側はネットワークスルーなので、何より低域のダンピング悪化もなく、中域のフレッシュさも減退しない。 ついでにネットワークパーツ代を節約できる。
- 内部の3D-スパイラルは2条巻きで、FE103Eのユニット毎に空気室もダクトも別体設計。 2つのチューニングを若干ずらすことで、低域~中域にかけてのピークを分散する。
- 上記と引き換えに、当初予定の直径序変スパイラルは不可能となった。
- 内部構造は複雑の極み。 けれども元々積層構造で大変なので、設計時間はかかるが製作時間はそれほど大きく増えない(と思う)。
- バッフル板の交換構造は断念。。
音の自己評価
- 高域 薄すぎず、でしゃばりすぎず、満足できるバランスを得られました。 弦やハーモニカがFE88ES-Rほどうるさくならず、けれども実在感があって実に良いです。 でも解像度や音場感は前作のほうがやや良かった? 変形バッフル形状の影響か。。
- 中域 フルレンジ2本ともスルーでは中域が張り過ぎ、2本目に7mHのコアコイルを入れました。 これでバランスが取れて、ボーカルのフレッシュ感・しっとり感もよく出ます。 ただ、前作に続き下面開口ダクトからの中域の漏れがあり音のクセを若干感じます。 また、空気室が変形形状のためか?定在波もあります。 今後、下部ダクトや空気室内部調整など時間をかけて煮詰めてゆきます。
- 低域 バランスはこれまで作ってきた3D-スパイラルSP中で最良です。 コイルが入り軽快さが若干落ちましたが、もう1本がスルーなのでベースの弾み感、チェロ・コントラバスの胴鳴りなどもいい感じです。 決してハイスピードとは呼べませんが、ドローンとした重い低域を長時間聴いていられない私には必要な軽快さ、でも35Hzまでしっかり伸びてオーケストラもOKです。(下記F特は部屋の測定なので低域レベルは高めに出てます。)
- 総じて目的は達成できました。 サイズの制約がなければ設計の自由度も増して解像度なども前作を超えられるかも。。 いつか改良版をトライしてみたくなる作例でした。
- stereo誌応募原稿は、こちら
コメント
コメントをどうぞ。
- なーおさんへ、Daytonのトゥイーターは、非常に音がいいですよ。お勧めです。実際、部活でFE127Eのトゥイーターとして使用して、好感触でした。ネットワークに凝るのもいいかもしれませんね。 -- もっ 2007-03-12 (月) 20:49:27
- もっさん。 Daytonのトゥイーター良い音なのだと思うのですが、私のこの計画自体が少々面白みが欠けるので悩んでます。 ネットワークに凝るのも、今の私の方向性とは違うので・・
-- なーお 2007-03-13 (火) 23:34:40 - 随分意匠的なデザインになってきそうですね。左右対称で作られるんですか? -- もっ 2007-04-04 (水) 19:56:25
- もっさん、どうも。 内部に大口径のスパイラルを内臓させるため、意匠が制限されちゃっています。 詳細は、本格設計に入ってから考えよう・・
-- なーお 2007-04-04 (水) 23:37:47 - お疲れさまです。中域のレベルが高いというのは、大変なことですね。恐らく、不要振動だと思いますが、不要振動の抑制に、カッター台(カッティングマット)を貼り付けると結構効きますよ。100均で売ってますし -- もっ 2007-05-13 (日) 21:00:32
- もっさん、 中域のレベルの高さは、近接した2つのユニットから放射される中域が、相乗効果によって2倍以上の振動面積のごとく高効率で音圧を輻射したことによるものでした。 アクティブなバッフル効果とでも呼べそうな。。 一方で内部で箱鳴りも皆無ではないので、追々制振処理も行うつもりです。 -- なーお 2007-05-14 (月) 08:46:54
- コンテストでは、スピーカー間隔が広いままで臨んでしまい、中抜けになってしまいました。 でも「敢闘賞」として認めていただいたことは大変嬉しかったです。 -- なーお 2007-06-25 (月) 19:03:48
inc/twister
|
MSDBS-1(Middle-Speed DB Spiral-1) |
3D-スパイラルスピーカー |
スパイラルの理解 |

























