注:このページは逐次追記しゆきます
期待以上の高音質を奏でてくれるRasPiオーディオ。パワーアンプにHypex UcD32MPを購入、周辺を色々と改善して音質の向上を楽しんでいます。
今回、不平衡/平衡ラインプリアンプ計画を実行しました。 現在の状態は以下のように相変わらずバラックですが、計画実行後にはきちんと金属ケースに入るはず・・
ここらで今までの経過と展開をまとめておきます。
発端
そもそも、オフ会にも携帯できるくらいの音の良い小型デジタルアンプが欲しい、その一点から始まりました。 わが単身居室のプリメインアンプ、marantz PM-14SA ver2、音も悪くないのですが、RasPiオーディオで音の入り口の品位が上がり、出口もFE88-solでかなり細かい音が出るようになると、marantzアンプの高域の独特で少々癖のある音場感が気になり始めます。 どうせなら、これを超える音の良いアンプ! 欲が出てきてしまいました。
D級パワーアンプユニット
- D級パワーアンプユニット購入とパッシブプリ で購入した、Hypex UcD32MPと、Facebookのごとうさんによるロータリースイッチ2個の組み合わせによるパッシブプリの劣化テスト版。 これは実に素直な音が出ます。 でも、力感などはもう一息といったところでした。
パワーアンプ側結線のは、こちらを参考にしました。
リレー式リモコンパッシブプリ
- リレー式パッシブプリの設計
- パッシブアッテネータは難しい。平衡変換ラインアンプ
に書いたように、リレー式はmbedで書いたクライアント/サーバープログラムもうまく動きましたが、ノイズやクロストークなど音質的に問題が多く実用を断念しました。
不平衡/平衡変換
上記の平衡変換ラインアンプのブログで記載した、DRV134を使った変換基盤。 当初、リレー式アッテネータをつないでいたので音質的にぱっとしませんでした。 でも、ごとうさん式アッテネータ劣化テスト版に戻してみたところ、力感のある音が出てきてびっくり! これはまだまだ潜在能力を引き出せてない、そう感じます。
実行計画
プリアンプを作ろう! のサイトを参考に、FET式ディスクリートプッシュプル、平衡/不平衡変換プリアンプを作りたいと思います。
実際に参考にするページは、
まずこちら と こちら(ボリウム追加個所) 追加でこちら(基板実装設計)
それとトランス使用のこちら と こちら
加えて、AKI-DACのこちら と こちら も平衡バッファ回路と電源周りで参考にします。
ちょうど手元に、マイクアンプの制作用に買ってあったFET、2SK170-GRが12個くらいありますので、これを選別して特性の近いペアを2SETピックアップして使おうと思います。
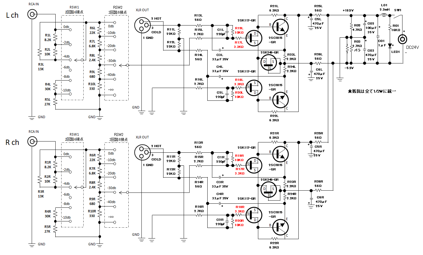
回路図、実装図
回路図はぺるけさんのを継ぎ接ぎで行けると思ったのですが、細部が変わってしまったところもあるので、回路図もトレースしました。 最初に作った可変抵抗ボリウムではなく、最終的なごとうさん式アッテネータのものになっています。
★回路図の、R17(L/R)、R18(L/R)、R19(L/R)、R20(L/R)の位置が間違えていたのを今頃気づいて修正し、画像を差し替えました。(2019/8/4)実装図のほうは合っていました。作った現物も確認しましたがそちらも合っていました。 回路図を参考に製作された方がおられましたら、申し訳ありません。 
抵抗
全て千石電商で購入のKOAの金属皮膜抵抗 1/2W
数量は、L/R 2ch分、店頭バラ買い。 通販の場合は10個単位の購入、単価アップ
| AMP用 | 個数 | 単価(円) | 金額(円) | |
| R13L/R, R14L/R, R25L/R, R26L/R | 56 | 8 | 10 | 80 |
| R23L/R, R24L/R | 2.2K | 4 | 10 | 40 |
| R15L/R, R16L/R R03-1,2 | 2.7K | 6 | 10 | 60 |
| R17L/R, R18L/R | 3.3K | 4 | 10 | 40 |
| R02 | 4.7K | 1 | 10 | 10 |
| R21L/R, R22L/R | 6.2K | 4 | 10 | 40 |
| R19L/R, R20L/R | 10K | 4 | 10 | 40 |
| R01 | 16K | 1 | 10 | 10 |
| R11L/R, R12L/R | 22K | 4 | 10 | 40 |
| ATT用 | 個数 | 単価(円) | 金額(円) | |
| R10L/R | 330 | 2 | 10 | 20 |
| R9L/R | 680 | 2 | 10 | 20 |
| R8L/R | 2.4K | 2 | 10 | 20 |
| R7L/R | 6.8K | 2 | 10 | 20 |
| R1L/R | 8.2K | 2 | 10 | 20 |
| R2L/R | 10K | 2 | 10 | 20 |
| R3L/R | 13K | 2 | 10 | 20 |
| R6L/R | 22K | 2 | 10 | 20 |
| R5L/R | 27K | 2 | 10 | 20 |
| R4L/R | 30K | 2 | 10 | 20 |
| 抵抗小計 | 560 |
コンデンサ
| アルミ電解コンデンサ 東信工業 UDWRZ (千石電商) | 容量 | 個数 | 単価(円) | 金額(円) |
| C3L/R, C4L/R | 33μF 50V (35V可) | 4 | 20 | 80 |
| C5L/R, C6L/R,C03 | 470μF 25V | 5 | 40 | 200 |
| C02 | 100μF 50V | 1 | 30 | 30 |
| 積層セラミックコンデンサ ムラタ (千石電商) | 容量 | 個数 | 単価(円) | 金額(円) |
| C1L/R, C2L/R | 220pF | 4 | 30 | 120 |
| C01 | 1μF | 1 | 30 | 30 |
| コンデンサ小計 | 460 | |||
コイル
| チョークコイル 太陽誘電(千石電商) | 容量 | 個数 | 単価(円) | 金額(円) |
| L01 | 2.2mH 9mm | 1 | 50 | 50 |
その他の部品
| (門田無線) | 個数 | 単価(円) | 金額(円) | |
| ユニバーサル基板 タカス電子 | IC-301-72 | 1 | 200 | 200 |
| (千石電商) | 個数 | 単価(円) | 金額(円) | |
| 2回路6接点ロータリーSW | SR25-1-2-6N | 2 | 200 | 400 |
| トランジスタ | 2SC1815-GR | 4 | 10 | 40 |
| RCAターミナル(白/赤) | MR-599 | 各1 | 50 | 100 |
| (秋月電子通商) | 個数 | 単価(円) | 金額(円) | |
| 超小型スイッチングアダプタ DC24V-0.5A | GF12-US2405M-02213 | 1 | 650 | 650 |
| 2.1mm標準DCジャック パネル取り用 | MJ-14C-06342 | 1 | 60 | 60 |
| φ3mmの適当なLED | I-11578 | 1 | 20 | 20 |
| LEDブラケット | P-11462 | 1 | 10 | 10 |
| 両端ロングピンヘッダ1x40 | C-09056 | 1 | 50 | 50 |
| ヒューズホルダ (パネル取付・ミゼット用) | MF-525M | 1 | 80 | 80 |
| ガラス管ヒューズ 250V-0.5A | MF51NR | 2 | 30 | 60 |
| パネルマウント用ACコネクタ (メガネACインレット) | MJ-27SC-08334 | 1 | 35 | 35 |
| ACメガネコード1.8m (2重絶縁タイプ) | C-01688 | 1 | 240 | 240 |
| SPターミナル(黒/赤) | MB-124-G-B/R | 各2 | 70 | 280 |
| (マルツ) | 個数 | 単価(円) | 金額(円) | |
| タカチケース | HEN-110420S | 2 | 2900 | 5800 |
| ツマミ 内径φ6.1mm | 外径φ13.7 K296R1 | 2 | 310 | 620 |
| (トモカ電気) | 個数 | 単価(円) | 金額(円) | |
| XLRコネクタケーブル | シールド、0.5m | 2 | 550 | 1100 |
| XLRレセプアクル | オス、黒 | 2 | 120 | 240 |
| XLRレセプアクル | メス、黒 | 2 | 160 | 320 |
| カナレケーブル(九州電気) | 個数 | 単価(円) | 金額(円) | |
| シールドケーブル | L-4E6S | 5 | 162 | 810 |
特別購入品(選別要)
| J-FET | |||
| 2SK117-GR | 4 | ||
| 2SK246-GR | 2 | ||
買い出し
初日は買い出しから。 ケース以外は大体2台分のパーツ購入で、2万円オーバーの買い物になってしまいました。 抵抗はKOAの1/2W金属皮膜抵抗、ボリウムはマルツのR1610G-10Kを擬似Lパッド接続で使用。コンデンサは、日本ケミコン ではありませんでした、東信工業製のUTWRZです。 高価なオーディオグレードは使わずに始めてみました。
実装
実装図のほうは、ぺるけさんのサイトでも頻繁に使われている、タカスのユニバーサル基板 IC-301-72 を使用です。この基盤は、予め使いやすいパターンになっているので、どう配置しようか考えるだけでも楽しいですね。 以下の図は、音出しまでの修正済みのものです。 注意:この図のとおりでは、コンデンサのスペースが不十分で抵抗の上に被さるものがあります。改善を考えます。
組付け順としては、まずは上面に配置するジャンパ線から。
コンデンサの大きさを全く考慮しないでレイアウトを決めてしまったので、抵抗の上にコンデンサが覆いかぶさるという不格好な姿に。
回路チェック
テスターしか持っていないので、チェックといっても電圧くらいしか見れません。 DC24VのACアダプタをつないだところ、FETが異様な高温に・・ 設計から再確認したところ、2SK246は脚の1番と3番が2SK117と逆順だということを失念していました。
そのほか、いくつか間違いがあったものの、無事に電源がまともに入るようになり、思い切ってパワーアンプに接続。無事に音がでました。 
音出し最初の音質
ぺるけ氏のサイトには、アルミ電解コンデンサの酸化皮膜の自己修復が進む間は音が落ち着かない、20~30時間は経ってから評価してほしい、とあります。
それでも始めから低域~高域までどこも特出したところが無い聴きやすい音でした。 鳴らしているうちに少しづつ、細かい音が出てきたように思いますが、今のところは解像度などまだまだというところです。
アッテネータへの交換(追記20180113)
製作後に100時間以上のエージングを終えたプリアンプを試しています。
うーん、どうにも霞がかった音でして、これはどうにかならないかと思案して、ごとうさん式アッテネーター(テスト版)の登場! 写真のようにバラックのままですが。。
これはすごいです。 ベールが2枚ほど取り去られたように、音像、音場、厚み、高域の細やかさ、全てにおいて自分史上最高音質が聴けています。MarantzのPM14SA-ver2に戻ることはもうあり得ませんね。
ここまでくれば、現在テスト版のアッテネーターをきちんと完成版としてコンパクトに作り直して、プリアンプのコンデンサをオーディオグレードに交換して、箱に入れます!
コンデンサ交換~戻した (2018-1-20)
コンデンサを東信工業のUTWRZから、ニチコンのゴールドに換装したのですが、音が思ったように良くならなかったので、元に戻しました。 この時、アッテネータの抵抗直付けバージョンに変更しています。抵抗は、千石電商で買った、KOAの1/2Wの金属皮膜抵抗に統一しました。ごとうさん式アッテネータは、このアンプとの組み合わせでも相変わらずかなり良い音を出してくれます。
ケースのパネルレイアウト設計
金属ケースに穴をあけて部品を取り付ける経験はほとんどないため、うまくゆくのか全くの未知数です。
加えて、今回購入したケースはレイアウトがかなりタイトなので、まずは図面を書かないとほぼ失敗するでしょう。
というわけで、ギチギチパネル図案の完成。 パワーアンプの電源インレットを買ったのに、入らなかった。。欲張って入力セレクタなんて付けてる場合じゃない!笑
パネル穴あけ、ケース収納
パネルに穴あけし、ケースへ収納しました。
自作アンプケース組立て、コニさん宅ミニオフ



プリアンプ内部概観

自作プリアンプのフロント/リヤパネル裏側。フロントは2連式アッテネーターに、2入力セレクタでぎっしり。リヤもRCAとXLRコネクタで一杯。


パワーアンプhypex UcD32MP をプリアンプと同じケースに収めたけど、内寸高がピッタリ過ぎて天板にアンプモジュールがキスします。 仕方ないので天板裏側に梱包テープ貼り。


実体ファイル:inc/自作プリアンプ
|
TOP |
コメント一覧
投稿ツリー
こんにちは。
入力のアッテネーターのところで質問なのですが、
RSW1の-6dBの端子が他の端子とは接続が異なっているのはなぜですか?
これは私が設計したものではないので、本質的なことはわかりませんが、
- 6dbのセレクト位置では接点に何も繋がっておらず、結果として3つの直列抵抗に接点無しで接続された状態になることから、接点の抵抗や配線長の影響を少しでも減らし、シンプルな回路構成とするため
- 最も重要なのは8dbと10dbセレクト時も6dbまでの抵抗3本直列を通す回路とするため、このようにしたのだと思います。こうすることで、8db、10db時の直列抵抗の数を減らせるので、色々なメリットが得られると思います。
よく考えられた、秀逸な回路ですね。
解説ありがとうございました。
複雑な回路なので、まだ良く理解出来ていませんが
もう少し勉強してみます。













