日記一覧
当サイトに登録されている日記一覧
プリアンプ自作が大体一段落してきたところで、送り出し側のDDCをUSBインターフェースのAmanero Combo 384から、I2SインターフェースのHifiberry Digi+ Pro に変更してみました。
結果からいうと良い方向に進化したため、久しぶりにエア録音する時間がとれたので、Youtubeに動画2つアップしました。ヘッドホンで聴いてください。
01~02_LadiesVocal
https://www.youtube.com/watch?v=lErQGVnBUpM
04~07| Fusion&Classic
https://www.youtube.com/watch?v=D32A4iKKemk
今回も、FaceBookのRaspberry Piでオーディオしま専科 グループで、ごとうさんがお勧めの Hifiberry Digi+ Pro です。
Hifiberry Digi+ ProのマスタクロックをRasPi側に入れることでスレーブモードでI2S信号を取り出し、純粋にI2SトランスポーターとしてDACに入れてあげる、ということのようです。
信号の流れとしては。
RasPi3 -->(I2S)--> Hifiberry Digi+ Pro -->(I2S)--> ES9023黄色基板DAC改 -->(アナログRCA)--> 自作プリ -->(アナログバランス)--> UcD32MPパワーアンプ
となってきます。
購入
上のHifiBerryのオンラインショップでポチってから、国際郵便で10日ほどで届きました。Amanero combo 384 が1万円超えだったのに比べて半額以下なのはうれしいです。
取付け前の事前準備
まず、1年半前に買ったRasPi3のファームウエアが古いと思われ、Hifiberry Digi+ Proに対応できていないだろうからアップデートが必要。
やり方は、ここのページに書いてあるのでそのまま参考にしますが、注意点としては OSがVolumioやMoodeAudioの状態でやらずに普通のRasbianイメージのOSが入ったmicroSDで実行すること。 終わってから元のVolumioなりに戻します。 こうしないとVolumioなどのOSが立ち上がらなくなるリスクが高いそうです。
念のため手順をここにも書いておくと、
- RasbianイメージのOSが入ったmicroSDを作り、RasPiを立ち上げる。このためだけに高価なmicroSDXCを買う必要はなく、Lite版イメージなら安い2GbのmicroSDで足ります。
- rootパスワードを設定する。(下記sudoコマンドを実行するため)
- 下のコマンドを順次実行しそれぞれ完了を待つ。小一時間はかかります。
$ sudo apt-get update $ sudo apt-get upgrade $ sudo apt-get dist-upgrade $ sudo rpi-update - オーディオイメージのmicroSDXCに戻す
I2S信号の取り出し
続いて、HifiBerry Digi+ ProからI2S信号を取り出すためのピン5本をはんだ付けして、ES9023黄色基板改DACのコネクタ線にコネクタを付けて、接続します。 接続順は、「P6」と書いてあるほうが1番として、
- GND(黄)
- MCLK(橙:接続しない)
- BCLK(黒)
- LRCLK(赤)
- DATA(白)
の順です。
MCLK(橙)を接続しない理由は、DACのクロックをHifiBerry Digi+ Proのマスタークロックで動かすにはES9023側のクロックの回路を1か所改造しないといけないことと、音の面でも若干ES9023側のクロックに軍配が上がるようですので、私もここは繋がず行きます。
試聴
今回、プレイヤーOSはVolumio2.378を試しています。
MoodeAudioの刺激の少ないサウンドとは違って、割とエッジがしっかり立って、音像がかっちりしたHiFiオーディオ的な音ですね。 Hifiberry Digi+ Proとの相性も良いのでしょうね。音場感が向上したため、妙な録音がすぐにわかってしまうようになりました。(汗)
しかし残念ながら、PCでは動くソフトボリウムがスマホでは操作できません。アップデートすれば治るのかな。でもアップデートもトラブルの可能性もあるし。。 →訂正、単なる勘違いでした。。
ということで、今年の集まれ!塩ビ管オフ会の私のデモは、これに自作プリ+UcD32MPパワーアンプ+トルネードフライの組み合わせで行きます。しかしエントリーはしたものの、そもそも仕事で参加が危うい状況なのですが。。
5年間、安定稼働を続けていた、我が家のVMware ESXi 仮想化サーバー。 ところが去る2月15日に、マザーボードが突然死。 
2日後に、中古で暫定版のマザーボードをどうにか探して買ってきて、何とか立ち上げました。
しかしその後、1週間に数回ほどサーバーが落ちる現象の原因がわからず。 単身赴任先から自宅に連絡して、家族にリセットしてもらっていました。
しかしこんなことを続けているわけにもいかないので、今後は構成を一気にシュリンクして、オーディオプレイヤーとしても使っているワンボードコンピューター、RaspberryPi3 へ移行することを決めました。断捨離です。
有難いことに、このサーバーで稼働中の、集まれ!塩ビ管スピーカーの経費でハード費用を支出いただけることとなり、1万円に収まる金額ですが有効に活用させていただくことにして、現在移行作業中です。どうもありがとうございます。 
既に、なーお'nWEBと集まれ!塩ビ管スピーカーのWEBサイトは移行済み。WEBサーバーはApacheではなく軽量高速なnginx。 それでもハードのスペックが低いため、少しレスポンスが遅いですがどうぞご容赦を。 他のアーカイブサイトも今日中に移行完了の見込みです。 その後、メールサーバー移転に着手・・
それにしても、いくつものXOOPS Cubeサイトを動かしてしまうRasPiサーバー、恐るべき実力ですね。
(追伸)
運用開始後、サーバーダウンが頻発。再起動しても立ち上がらない。
php-fpmのログを見ると、
WARNING: [pool www] server reached pm.max_children setting (5), consider raising it
これは、子プロセスの設定がうまく行っていないということらしい。
参考:php-fpmのエラーにぶつかりながら設定の最適化を図る
/etc/php/7.0/fpm/pool.d/www.conf
; pm.max_children = 5 pm.max_children = 20 ; pm.start_servers = 2 pm.start_servers = 4 pm.min_spare_servers = 2 ; pm.max_spare_servers = 3 pm.max_spare_servers = 6
これで安定してくれることを願います。。
...
今年も、古河はなももマラソンを完走してきました。
今年最後のレース、記録の出やすいこのコース。TartherZeal5を履いて勝負に出ました。 でも残念ながら後半大失速で目標の3時間半はおろか、昨年の記録も、1月に走った館山わかしおマラソンの記録にも届かず。
最近は、走れば走るほど遅くなっています。(涙)
| タイム(グロス) | 03:48:00 |
| タイム(ネット) | 03:45:59 |
| 種目別順位 | 531/1311 |
| 総合順位 | 3214/7801 |
| 計測ポイント | スプリット | ラップ |
|---|---|---|
| Start | 00:02:01 | |
| 5km | 00:27:16 | 0:25:15 |
| 10km | 00:51:38 | 0:24:22 |
| 15km | 01:15:52 | 0:24:14 |
| 20km | 01:40:10 | 0:24:18 |
| 中間点 | 01:45:28 | |
| 25km | 02:04:33 | 0:24:23 |
| 30km | 02:31:17 | 0:26:44 |
| 35km | 03:02:38 | 0:31:21 |
| 40km | 03:35:22 | 0:32:44 |
| Finish | 03:48:00 | 0:12:38 |
来シーズンは、今シーズンの根本的な間違いを正さないとダメだな。 まずは、高脂血症対策を復活しよう。
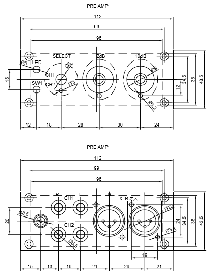
先週フロント/リアパネルに穴あけをしてきたアンプのケースに、部品を組み付ける作業を昨日実行しまして。 今日は早速コニさん宅で古舘さんと3人でミニオフ。
たてちゅうさんほかもお誘いしましたが直前でしたので先約有り、また次の機会に。
- 自作プリアンプの内部概観
- 自作プリアンプのフロント/リヤパネル裏側。フロントは2連式アッテネーターに、2入力セレクタでぎっしり。リヤもRCAとXLRコネクタで一杯。
- パワーアンプhypex UcD32MP をプリアンプと同じケースに収めたけど、内寸高がピッタリ過ぎて天板にアンプモジュールがキスします。 仕方ないので天板裏側に梱包テープ貼り。
- 完成型のフロント部/リヤ部。 2連式アッテネーターのツマミはもっと大きなものに交換予定。XLRケーブルはカナレのケーブルを使って最短長を狙って自作。
- 今日は朝移動で、コニさん宅にアンプとTornadeflyを持ち込んで、ミニオフ。 行は東名経由でスイスイ。 帰りも藤沢バイパスが混んだ以外はスムーズでした。
am11時頃から出来立てのアンプとTornadeflyをセッティング。
なんとなく、箱に収める前より音の鮮度が落ちた気がする。 ごとうさんお勧めの細いすずメッキスダレケーブルを多用しすぎたかな? 皆さんのご感想は如何に。
- コニさんの最近のお気に入りの、自作平面スピーカーユニット。 Yoshii9系の音場型スピーカーともまた違う不思議な感覚で、楽器の音像がスピーカーの後ろに出現する。一度ハマルと癖になりそう。 時期バージョンではツイーターもグレードアップするようなので期待大です。
あっという間の週末でした。コニさん、古舘さんありがとうございました。リフレッシュできました。明日からも頑張ろう!
昨日は仕事をこなして、今日自宅に帰って穴あけを敢行。
2週間前にCADで書いたパネルレイアウトを印刷し、両面テープでアルミパネル現物に貼り付け。
ハンドツールだけで精度は出ないし、なんか間違えたところもあったりだけど、どうにか収まりそうです。
来週は組み付けて音出しできるかな。
製作中の不平衡/平衡ラインプリアンプと、Ucd32MPパワーアンプのケース設計を実行中。
しかしですね、金属ケースに穴をあけて部品を取り付ける経験はほとんどないため、うまくゆくのか全くの未知数です。
加えて、今回購入したケースはレイアウトがかなりタイトなので、まずは図面を書かないとほぼ失敗するでしょう。
というわけで、ギチギチパネル図案の完成。 パワーアンプの電源インレットを買ったのに、入らなかった。。欲張って入力セレクタなんて付けるからじゃ!笑
φ23mmなどという大きな穴をアルミパネルに開ける工具の手持ちがないため、次は工具の購入です。
今のところ、この辺を考えています。ハンドドリルだけで上手に綺麗に加工できるのだろうか、かなり不安であります。
館山若潮マラソン、完走しました。
目標タイムは3時間35分。途中の登りでペースダウンしても、ほかをキロ5分ペースで刻めば達成できるタイムに設定。
前半はしっかりペースを刻めて、理想的な展開。しかし登り下りでピッチの維持に足を使った模様で。
35キロ過ぎで両ひざが攣ってタイムロス。コムレケア(芍薬甘草湯)飲んで効くまでペース上げられず、3時間44分13秒。昨年の記録に及ばずでした。
http://smart.jognote.com/notes/54041513
ランナーズアップデート
| 測定ポイント | スプリット | ラップ | 通過時刻 |
|---|---|---|---|
| Start | 00:01:35 | 10:01:35 | |
| 10km | 00:53:06 | 0:51:31 | 10:53:06 |
| 20km | 01:43:29 | 0:50:23 | 11:43:29 |
| 中間 | 01:49:10 | 11:49:10 | |
| 30km | 02:34:16 | 0:50:47 | 12:34:16 |
| 40km | 03:32:40 | 0:58:24 | 13:32:40 |
| Finish | 03:44:13 | 0:11:33 | 13:44:13 |
次の、3月の古河はなももマラソンまでに修正すべき点がたくさんできました。
なお、今回はAGCグループメンバー13名参加し、全員完走できました。 これも、応援や場所確保などご一緒いただいたJNCさんのサポートのおかげです。本当にありがとうございました。
ブログをまとめて、自作アンプの現状ページを作りました。 逐次、加筆してゆきます。 とりあえず現状の回路図、パーツリストを掲載。
http://www.naaon.com/modules/plactice/index.php/content0196.html
先々週、不平衡/平衡ラインプリアンプ音出しでアッテネータへ換装したところ、かなりまともに良い音が出た、自作プリアンプ。
ちょっと欲張って、コンデンサを東信工業のUTWRZから、ニチコンのFGに変更してみました。以下レビュー。
- 電源以外のコンデンサを、東信工業からニチコンFGに変更
まあよくある話ですが、値段の高いコンデンサのほうが音が良いというわけではありませんでした。 これはダメです。空間表現がボヤけてしまって、かなり多くの音が消えます。
- 470μF4個をニチコンFGから東信工業に戻す
この時点でだいぶ元通りの高音質に。この状態でも良い気もしますが。。
- 結局最後は、33μF4個も東信工業に戻す
全部東信に戻すと、実に安心して聴ける高音質。やっぱりこれですね。
- アッテネータを、抵抗直付けに
まだバラックの仮設状態ですが、音質確認としては重要なSTEPです。
以上、東信工業のUTWRZ、恐るべし。 いつ変えるの? 今でしょ!! ってこれは東進か。(寒っ) 低ESRが音質に効いているのか? 価格も十分に安く、千石電商で買えるのでお勧めです。
ごとうさんお勧めの、ニチコンVZは、ネットで購入できるところを探しても、安いところはロットが大きかったり、逆に1個単位で買えるところは単価が高かったり、、 試してみたいですが実店舗だとどこで買えるのでしょうか・・








2



























